linux sdr 2832u软件无线电,使用R820T+RTL2832U玩软件无线电

事实上是我玩软件无线电已经好几年了,因为手里资金有限嘛,你如果想拥有较宽频率的接收机,使用德生收音机或者带较多频率的电台和对讲机(我以前的八重洲6R)设备必定是最好的选择,算下来开销还是挺大的,更为廉价的解决方案就是软件无线电了。

其实一开始软件无线电的成本并不廉价,甚至比买专业设备花费更高,因为软件无线电毕竟能运行在PC端等位置,可以有较高的后期处理能力,有HackRF之类的。

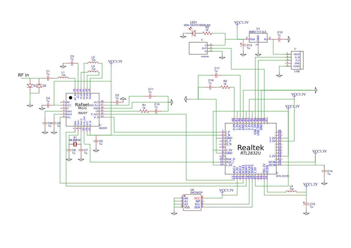
自从发现了R820T+RTL2832U这个螃蟹芯片(你的有线 卡或者声卡芯片十有八九都是他家的),本来是电视机棒的,结果发现具有非常广的频率接收范围,还驱动,电路开源(以前都能查到Datasheet,现在居然查不到了,什么鬼),还便宜。至于具体怎么发现的 上的说法很有趣,有兴趣的朋友可以去搜索下。

本身芯片支持的频率范围为24–1766 MHz,加入了周边电路能达到100KHz-1766MHz的工作频率范围,当然,我自己也没试验过究竟能不能达到,现在这个东西已经很成熟了, 上的资料到处都是,多年前都没有的。

说一下为什么是RTL2832U+R820T在一起,这就得提一下原理了。

安装Zadig驱动

我直接给你官 地址好了,我以前买的时候是Win8的系统,现在是Win10 1807了,每次装上去都 错,研究了很久才发现,都没地方提示一下。截至写文章时,最新版本是2.4。Zadig官

就安装Buck-In,Interface?(Interface?0),用不着装1。

然后我们上官 下载最新版的SDRSharp。对了,SDRSharp是用 .NET写的,记得把.NET装上,就不多说了。

就绪后,打开SDRSharp.exe,选择Source,RTL-SDR(USB)

废话

其实软件无限电本身的硬件开销是不怎么高的,倒是天线是个花钱的地方,买SDR的时候可能会送一根小的吸盘天线,但是显然太不够用了,如果需要接收短波还需要往上上面继续投钱。

b62d682eefb7869851937eaceb04880b.png

下载地址

文章知识点与官方知识档案匹配,可进一步学习相关知识CS入门技能树Linux入门初识Linux25295 人正在系统学习中 相关资源:好色鬼软件-C++工具类资源-CSDN文库

声明:本站部分文章及图片源自用户投稿,如本站任何资料有侵权请您尽早请联系jinwei@zod.com.cn进行处理,非常感谢!

上一篇 2021年4月3日
下一篇 2021年4月3日

相关推荐