matlab simulink响应谱计算

matlab simulink响应谱计算

  • 参考
    • 舰船冲击谱若干计算方法比较研究[道客巴巴](https://www.doc88.com/p-4367425366329.html)
    • 崔济东的反应谱计算软件[SPECTR](http://www.jdcui.com/713)
  • 问题
  • SPECTR计算结果
  • matlab simulink响应谱计算结果
  • matlab控制代码及simulink模型

参考

舰船冲击谱若干计算方法比较研究道客巴巴

崔济东的反应谱计算软件SPECTR

问题

用Abaqus进行仿真计算的加速度冲击响应的结果与SPECTR部分不一致,尝试找一下原因。

SPECTR计算结果

matlab simulink响应谱计算结果

结果与Abaqus仿真结果基本一致,加速度响应从14HZ到18Hz中途有下降,而SPECTR则是一直上升

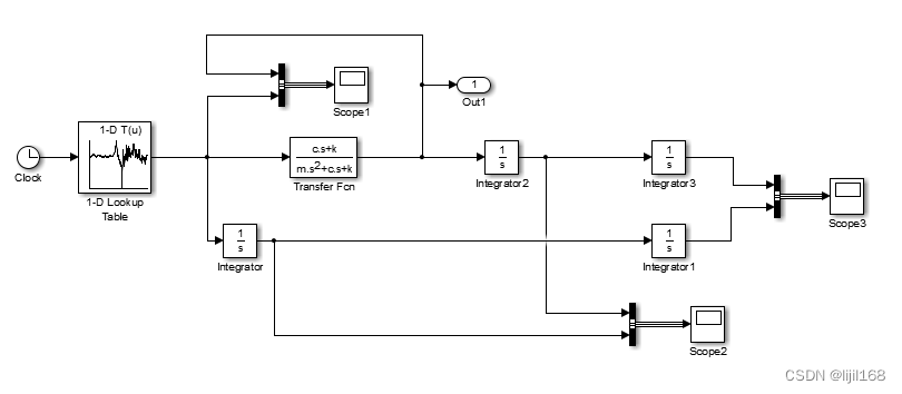
matlab控制代码及simulink模型

matlab simulink响应谱计算

声明:本站部分文章及图片源自用户投稿,如本站任何资料有侵权请您尽早请联系jinwei@zod.com.cn进行处理,非常感谢!

上一篇 2022年7月6日
下一篇 2022年7月6日

相关推荐