按键消抖通常的按键所用开关为机械弹性开关,当机械触点断开、闭合时,由于机械触点的弹性作用,一个按键开关在闭合时不会马上稳定地接通,在断开时也不会一下子断开。因而在闭合及断开的瞬间均伴随有一连串的抖动,为了不产生这种现象而作的措施就是按键消抖。
中文名
按键消抖
外文名
removing jo ggle for push button
性 质
消抖属 性
按键
抖动时间
一般为5ms~10ms
消抖方法
硬件方法、软件方法
按键消抖原因
语音
在机械按键的触点闭合和断开时,都会产生抖动,为了保证系统能正确识别按键的开关,就必须对按键的抖动进行处理。[1]
按键的抖动对于人类来说是感觉不到的,但对单片机来说,则是完全可以感应到的,而且还是一个很“漫长”的过程,因为单片机处理的速度在“微秒”级,而按键抖动的时间至少在“毫秒”级。[2]
单片机如果在触点抖动期间检测按键的通断状态,则可能导致判断出错,即按键一次按下或释放被错误地认为是多次操作,从而引起误处理。因此,为了确保单片机对一次按键动作只作—次响应,就必须考虑如何消除按键抖动的影响。[2]
按键消抖抖动时间
语音
图1 双稳态消抖双稳态消抖即在按键输出端加R-S触发器或单稳态触发器构成消抖电路,如图1所示,触发器一旦翻转,触点抖动对其不会产生任何影响。
电路的工作过程如下
(1)当按键未按下时,a=0,b=1,输出A=1,B=0。
(2)当按键按下时,按键的机械弹性作用使按键产生前沿抖动。①当开关没有稳定到达b端时,B输出为0,反馈到上面的与非门的输入端,封锁了与非门,双稳态电路的状态不会改变,输出A保持为1,这样就消除了前沿的抖动波形
②当开关稳定到达b端时,因a=1,b=0,使A=0,双稳态电路状态发生翻转。[2]
(3)当释放按键时,按键的机械弹性作用使按键产生后沿抖动。[2]①当开关未稳定到达a端时,A=0,封锁了下面的与非门,双稳态电路的状态保持不变,输出A保持不变,这样就消除了后沿的抖动波形。
②当开关稳定到达a端时,因a=0,b=1,使A=1,双稳态电路状态发生翻转,输出A重新返回原来的状态由此可见,键盘输出经双稳态电路之后,波形已经变为规范的矩形方波。
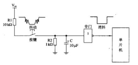
2. 滤波消抖

图2 滤波消抖如图2所示,利用RC积分电路可以吸收振荡脉冲的特点,正确选取适当的时间常数,便可消除按键抖动的影响。
电路的工作过程如下:
(1)当按键未按下时,电容C两端的电压为V,非门输出为1。
(2)当按键按下时,由于电容C两端的电压不能突变,因此即使在接触过程中出现抖动,只要C两端的充电电压波动不超过非门的开启电压(TTL为0.8V左右),非门的输出就不会改变(可通过选取合适的R1、R2和C的值来实现)。
(3)当按键断开时,即使出现抖动,由于C两端的电压不能突变(它要经过R2放电),因此只要C两端的放电电压波动不超过非门的关闭电压,非门的输出就不会改变所以,RC电路滤波消抖成败的关键在于R1、R2和C时间常数的选取。必须保证C由稳态电压充电到开启电压或放电到关闭电压的延迟时间大于或等于10ms。参数的数值可由计算或实验确定,图2中的参数仅供参考。若釆用输入端有施密特触发特性的门电路,则效果更好。[2]
按键消抖软件消抖
当按键较多时,硬件方法将导致系统硬件电路设计复杂化,硬件消抖将无法胜任,这时常采用软件方法进行消抖。常用软件方法去抖,即检测出键闭合后执行一个延时程序,5ms~10ms的延时,让前沿抖动消失后再一次检测键的状态,如果仍保持闭合状态电平,则确认为真正有键按下。当检测到按键释放后,也要给5ms~10ms的延时,待后沿抖动消失后才能转入该键的处理程序。
软件消抖的基本原理是:在检测到有按键按下时,不是立即认定此键已被按下,而是执行一个10ms左右(具体时间应视所使用的按键进行调整)的延时程序后,再确认该键电平是否仍然保持闭合状态电平,若仍然保持,则确认该键真正被按下。[2]
一般来说,软件消抖的方法是不断检测按键值,直到按键值稳定。实现方法:假设未按键时输入1,按键后输入为0,抖动时不定。可以做以下检测:检测到按键输入为0之后,延时5ms~10ms,再次检测,如果按键还为0,那么就认为有按键输入。延时的5ms~10ms恰好避开了抖动期,从而消除了前沿抖动的影响同理,在检测到按键释放后,再延时5~10ms,消除后沿抖动,然后再对键值进行处理。不过一般情况下,我们通常不对按键释放的后沿进行处理,实践证明,这样也能满足一定的要求。[2]
按键消抖对比
硬件方法一般用在对按键操作过程比较严格,且按键数量较少的场合,而按键数量较多时,通常采用软件消抖。值得一提的是,对于复杂且多任务的单片机系统来说,若简单地采用循环指令来实现软件延时,则会浪费CPU宝贵的时间资源,大大降低系统的实时性,所以,更好的做法是利用定时中断服务程序或利用标志位的方法来实现软件消抖。[2]
按键消抖其他相关
语音
在用基于Verilog语言的时序逻辑电路设计按键消抖电路时,通常认为机械抖动的最大周期是20ms,对每一个时钟脉冲信 对按键状态进行取样,以便进行按键消抖处理。在程序中设置一个计数器,来采集按键的值,若按键的值在20ms内都是低电平或者高电平,则可确定这次是人为按键。[1]
Verilog HDL语言实现按键消抖assign key_done = (dout1 | dout2 | dout3); //按键消抖输出
always @(posedge count[17])
begin
dout1
dout2
dout3
end
always @(negedge key_done[0])
begin
keyen = ~keyen; //将琴键开关转换为乒乓开关
end
程序中所用的方法是不断检测按键值。每当Count[17]上升沿到来,就进行检测输入信 。其中dout1,dout2,dout3分别为当前、上个Count[17]上升沿、上上个Count[17]上升沿输入数值。正常情况下为1,假如连续三次为0,三个信 作或运算,使得key_done信 为0,出现下降沿,这样就认为是有按键。
词条图册
更多图册
参考资料
1.
郭磊主编;夏永恒,黄杰勇副主编.VERILOG实例教程:国防工业出版 ,2016.01:第274页
2.
杜伟略主编;潘健副主编.西安电子科技大学出版 :单片机接口技术,2010.09:第6页
相关资源:车行健通用刷机软件6606kA6平台.zip-图像处理文档类资源-CSDN文库
声明:本站部分文章及图片源自用户投稿,如本站任何资料有侵权请您尽早请联系jinwei@zod.com.cn进行处理,非常感谢!